用于鉆桿銑螺旋數控銑床的設計
2021-3-9 來源: 中煤科工集團西安研究院有限公司 作者:路前海
摘要: 針對車間現有螺旋槽銑床設備故障率高、維修時間長、無法加工硬度比較高的無磁鉆桿問題,設計了一種用于螺旋鉆桿銑削加工的專用銑床。 分別從機械結構設計和液壓系統設計兩方面詳細介紹了專用銑床的設計,通過相關參數計算選擇了合適的工藝參數。 加工試驗結果表明,專用銑床加工出的螺旋槽質量達到預計效果,設備使用效果良好。
關鍵詞: 螺旋鉆桿; 數控銑床; 銑削
0 引言
整體式寬翼片螺旋鉆桿與傳統的焊接式寬翼片螺旋鉆桿相比優勢明顯:①采用銑削方式直接在鉆桿上加工螺旋槽,鉆桿螺旋翼片與桿體同材質,相對于焊接式螺旋鉆桿,螺旋翼片整體機械性能提高了2~3 倍 ,從根本上解決了焊 接 式 寬 翼 片螺旋鉆桿 耐磨性差、使用壽命偏低的問題;②鉆桿螺旋翼片和桿體為整體式結構,消除了焊接螺旋翼片時對桿體的損傷和焊縫易開裂等問題,保證了鉆桿的整體強度;③鉆桿整體抗扭能力較同規格焊接式寬翼片螺旋鉆桿大幅提高。 整體式螺旋鉆桿不僅可以進行松軟突出煤層瓦斯抽采鉆孔施工,也可以代替普通外平鉆桿進行常規回轉鉆進施工,能有效節省鉆具購置成本。 經過多年的市場培育,整體式螺旋鉆桿的需求量逐年遞增。
整體式螺旋鉆桿的銑螺旋工序作為螺旋鉆桿的關鍵加工工序,其生產效率和加工質量直接影響到螺旋鉆桿品質的好壞。 目前該工序只能依靠專用銑床設備加工,因螺旋鉆桿銑削過程屬于斷續切削,且切削量大,生產過程中機床承受很大的沖擊力,加之現有設備剛度不足,造成機床極易出現故障,維修時間長,嚴重影響車間正常生產;對于新研發的整體式無磁螺旋鉆桿,機械強度高、韌性好、加工難度大,現有設備已經無法滿足生產需求。 為了解決現有專用銑床故障率高、無磁螺旋鉆桿生產效率低的難題,研發了一種更適用于整體式螺旋鉆桿加工的專用銑床。
1、螺旋鉆桿專用數控銑床總體設計
螺旋鉆桿專用銑床總體設計如圖 1 所示。 上料裝置用于輔助鉆桿上料;床身用于固定銑床,保證銑床整體穩定性;床身上安裝有工件旋轉進給裝置,主要為鉆桿提供動力,一方面帶動鉆桿進行軸向移動,另一方面可帶動鉆桿進行旋轉運動;床身側面設有泵站和控制系統,液壓泵站為系統提供液壓動力,控制系統控可控制各動作之間先后順序;與床身前端固定聯接設有床頭箱,用于銑削基礎固定;床頭箱側面設有排屑器,用于收集加工時產生的鐵屑;床頭箱上沿鉆桿軸向對稱分布有一對銑刀機構,用于進行螺旋鉆桿整體銑削加工,銑刀前后兩側對稱設置有跟刀架,在銑削加工時扶正鉆鉆桿,以降低鉆桿振動對刀具的損傷,床頭箱前端設有下料裝置,用于鉆桿的下料。

圖 1 螺旋鉆桿專用銑床總體結構圖
1. 上料裝置 2. 床身 3. 泵站及電控系統 4. 工件旋轉給進裝置 5. 床
頭箱及護罩 6. 排屑器 7. 銑刀機構 8. 跟刀架 9. 下料裝置
(1)銑刀機構設計
銑刀機構由左右兩組機構組成, 兩組機構以工件軸線方向左右布置, 其中 2 個銑刀成一定夾角布置。 銑刀旋轉動力通過交流變頻電機經齒輪減速傳遞到銑刀上,進給由伺服電機驅動精密滾珠絲杠后帶動銑刀機構整體進給,進給到位后液壓鎖緊機構鎖死,防止切削過程中銑刀移位,安全可靠。 銑刀機構根據不同的軸徑和導程需要,通過角度調整座變換相應的角度,每個安裝座均有銑刀頭定位機構,確保銑刀頭旋轉中心始終保持不變。 銑刀機構示意圖如圖 2 所示。

圖 2 銑刀機構示意圖
1. 伺服電機 2. 導軌 3. 銑刀盤 4. 齒輪箱 5. 交流電機 6. 導程架
采用盤銑刀加工螺旋鉆桿時,兩側的受力情況不一致,鉆桿左側受到銑刀豎直向下的力,鉆桿右側則受到銑刀豎直向上的力,如果左右兩側銑刀設置在同一平面內,勢必會造成鉆桿左右側受力不均,易造成打刀現象,為此,將左側銑刀整體墊高 0.1 mm,右側銑刀整體下降 0.1 mm,以緩解鉆桿受力不均情況。 銑削鉆桿受力示意圖如圖 3 所示。

圖 3 銑削鉆桿受力示意圖
. 垂直紙面向外的力 . 垂直紙面向內的力
(2)跟刀架設計
跟刀架由前后跟刀架和輔助跟刀架兩部分組成,前后跟刀架設置在銑刀前后兩側,用于夾緊扶正鉆桿,減少鉆桿振動對銑刀盤的沖擊力;輔助跟刀架設置在前跟刀架前方,用于輔助人工卸鉆桿。 前后跟刀架由自定心夾緊機構組成,在鉆桿軸徑發生變化時也能保持鉆桿軸線位置不變,確保夾緊穩定可靠。
輔助跟刀架由一組油缸分別作用于 2 個鉗體,夾緊力可調,前輔助跟刀架還配有一組油缸和頂桿,主要用于拆卸鉆桿時輔助夾持后端鉆桿,防止拆卸過程中后端鉆桿出現轉動,影響后續切削精度。
(3)工件旋轉給進裝置設計
旋轉機構由伺服電機經蝸輪蝸桿減速后帶動氣動卡盤夾緊鉆桿旋轉;進給機構由伺服電機經多級齒輪減速后驅動齒輪、齒條沿床身進給,進給機構和夾緊機構協同作用,根據不同的導程以適當的旋轉速度和進給速度配合完成旋轉和進給動作,確保螺旋槽導程精度。
(4)床身設計
床身作為整個設備的基礎,應結實穩重、剛性大、承重能力強。床身采用焊接結構,內部設置加強肋板,在進行機械加工前必須進行二次定性處理,以保證床身的整體性能,選用重型直線導軌,結構穩定、可靠。
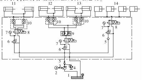
2、 液壓系統總體設計
液壓系統總體原理圖如圖 4 所示,前跟刀架油缸、后跟刀架油缸動作要求一致,以保證鉆桿同時被抬起或者放下,為此,液壓系統中設置有分流閥,保證各動作均勻一致。 輔助跟刀架、前后跟刀架、液壓鎖各部分的工作壓力均不相同,但都共用 1 個液壓泵站,為此,各系統均設有減壓閥,以保證各部分所需壓力。跟刀架均設有液壓互鎖裝置,保證液壓缸在夾緊時能相互鎖住,不發生移動。設有兩位四通電磁換向閥,控制各組液壓缸的伸縮運動。

圖 4 液壓系統原理圖
1. 液壓油箱 2. 電機 3. 液壓泵 4. 安全閥 5. 單向閥 6. 減壓閥
7. 壓力表 8. 兩位四通電磁換向閥 9. 分流閥 10. 液壓鎖
11. 輔助跟刀架油缸 12. 后跟刀 架油缸 13. 前跟刀架油缸 14. 液壓鎖油缸
3 、工藝參數設計
加工普通螺旋鉆桿,鉆桿硬度 HRC20~30,選用合金刀具。

經過計算,各項參數符合刀具使用范圍。
4、 現場加工試驗
設備安裝調試完成后,驗證了設備各項功能,核驗了設備技術參數,試切鉆桿,各項功能、參數指標均正常,然后開始進行現場試運行試驗。 加工完成準73×3 000 mm、準89×3 000 mm 螺旋鉆桿,總共 60 根,槽寬 20 mm、槽深 5 mm、導程 280 mm、2 頭。 加工過程中設備振動較小,設備噪聲在合理范圍內,螺旋槽表面刀痕均勻分布,表面無凸點、毛刺,螺旋槽深度、寬度均符合設計要求,螺旋槽質量達到預期效果。
5 、結語
針對車間現有專用銑床故障率高、維修時間長以及無磁螺旋鉆桿生產效率低問題,結合車間實際情況,研制一套適用于加工螺旋鉆桿銑螺旋工序的專用銑床,通過計算得出銑削加工工藝參數,并進行了現場加工試驗。試驗結果表明,設計出的專用銑床加工出螺旋鉆桿的螺旋槽質量符合產品設計要求,設備使用效果良好。
投稿箱:
如果您有機床行業、企業相關新聞稿件發表,或進行資訊合作,歡迎聯系本網編輯部, 郵箱:skjcsc@vip.sina.com
如果您有機床行業、企業相關新聞稿件發表,或進行資訊合作,歡迎聯系本網編輯部, 郵箱:skjcsc@vip.sina.com